The primary purpose of the Tube and Shell Bolted Flange (TSBF) EGR cooler is to cool the engine exhaust gases prior to entering the intake manifold. Exhaust gas cooling is accomplished by the flow of exhaust gases through the TSBF EGR cooler tubes. The TSBF EGR cooler core then transfers the heat removed from the exhaust gases to the engine coolant. The cooled exhaust gases are then mixed with incoming air from the charge air cooler before being sent to the intake manifold.
Removal steps are as follows:
Note: The following removal procedures support engines built after April 15, 2004 or engines that have had right-side kits installed.
|
PERSONAL INJURY |
|
To avoid injury from hot surfaces, wear protective gloves, or allow engine to cool before removing any component. |

|
1. TSBF EGR Cooler |
7 .Exhaust Manifold End Section |
|
2. EGR Hydraulic and Pneumatic Actuator Assembly |
8. Exhaust Manifold Center Section |
|
3. Clamp |
9. Exhaust Manifold Ens Section |
|
4. Upper Hot Pipe |
10. Bellow |
|
5. Gasket |
11. EGR Valve Assembly |
|
6. Stud |
12. Gasket |
Figure 1. Tube and Shell Bolted Flange EGR Cooler and Related Parts
|
NOTICE: |
|
The bellow is a one-time usage component, discard after removal. |

|
1. Exhaust Manifold Center Section |
4. Upper Hot Pipe |
7. Bellow |
|
2. Stud |
5. Nut |
8. EGR Valve Assembly |
|
3. Gasket |
6. Clamp |
9. TSBF EGR Cooler |
Figure 2. Tube and Shell Bolted Flange EGR Cooler and Related Parts
Note: Perform step 8 for hydraulically actuated EGR valves and step 9 for pneumatic actuated EGR valves.

|
1. EGR Valve and Hydraulic Actuator Assembly |
3. Oil Inlet Line and Fitting |
|
2. Oil Outlet Line and Fitting |
Figure 3. Hydraulic EGR Valve Oil Inlet Line and Oil Outlet Line

|
1. EGR Valve and Pneumatic Actuator Assembly |
2. Air line |
Figure 4. EGR Valve and Pneumatic Actuator Assembly

|
1. Nut |
4. Stud |
|
2. EGR Valve and Actuator Assembly |
5. TSBF EGR Cooler |
|
3. Gasket |
Figure 5. EGR Valve Assembly and Related Parts

|
1. Clamp |
3. EGR Cooler |
|
2. Venturi-Section |
4. Air Lines |
Figure 6. Tube and Shell Bolted Flange EGR Cooler and Delivery Pipe
|
PERSONAL INJURY |
|
To avoid injury when removing or installing a heavy engine component, ensure the component is properly supported and securely attached to an adequate lifting device to prevent the component from falling. |
Engines equipped with a TSBF cooler that have a coolant-lost complaint need to be inspected for leaks from other sources. The spring wire hose clamps are a possible coolant leak path, and should be inspected. If the spring wire clamps are damaged, service kits are available to replace the damaged components.
A standard test to pressurize the coolant system and investigation of overall coolant system should have been performed prior to inspecting the cooler. There may be other components of the engine that are responsible for the loss of engine coolant.
Note: Coolers with internal leaks usually show signs of a white coolant drop-out at the exhaust side of the cooler, the Delta P Sensor lines, or at the delivery pipe to intake manifold connector.
If the entire system has been tested, perform the following steps to inspect the cooler:

Figure 7. EGR Cooler Ports Setup

Figure 8. Filling the EGR Cooler with Tap Water

Figure 9. Observing the EGR Cooler for Bubbles
Installation steps are as follows:

|
1. Bolt |
3. Clamp |
|
2. EGR Water Inlet Hose |
4. TSBF EGR Cooler |
Figure 10. EGR Cooler and Related Parts
|
PERSONAL INJURY |
|
To avoid injury when removing or installing a heavy engine component, ensure the component is properly supported and securely attached to an adequate lifting device to prevent the component from falling. |

|
1. Clamp |
3. EGR Cooler |
|
2. Venturi-Section |
4. Air Lines |
Figure 11. Tube and Shell Bolted Flange EGR Cooler and Delivery Pipe
Note: Bellow clamps must be positioned correctly for exhaust manifold mid-setback and high-mount center sections. See figure "Bellow Clamp Orientation for High-Mount or Mid-Setback Center Section Exhaust Manifolds" for correct clamp orientation.

|
1. Exhaust Manifold Mid-Setback Center Section |
7. Bellow |
|
2. Stud |
8. EGR Valve-to-Bellow Clamp Orientation for all Engines |
|
3. Gasket |
9. Exhaust Manifold High-Mount Center Section |
|
4. Upper Hot Pipe |
10. Clamp Orientation for a High-Mount Center Section |
|
5. Nut |
11. TSBF EGR Cooler |
|
6. Bellow Clamp Orientation Mid-Setback Center Section |
|
Figure 12. Bellow Clamp Orientation for High-Mount or Mid-Setback Center Section Exhaust Manifolds
|
NOTICE: |
|
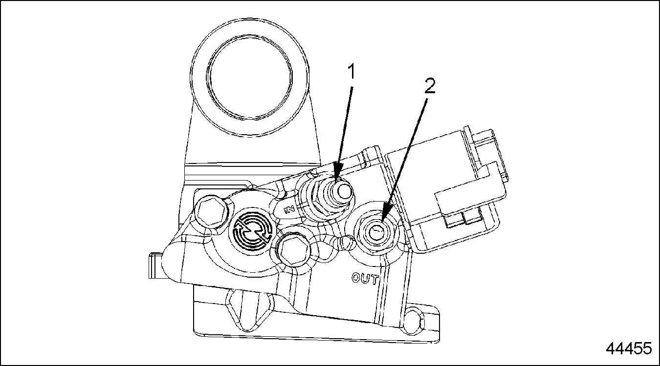
Particle debris in the lubrication inlet and outlet ports of the actuator assembly can cause performance problems. Use care to keep any debris out of the actuator and oil lines when servicing. See Figure "EGR Valve and Hydraulic Actuator Oil Inlet and Outlet Locations" . |

|
|
1. Oil Inlet |
2. Oil Outlet |
Figure 13. EGR Valve and Hydraulic Actuator Oil Inlet and Outlet Locations

|
1. EGR Valve and Hydraulic Actuator Assembly |
3. Oil Inlet Line and Fitting |
|
2. Oil Outlet Line and Fitting |
Figure 14. EGR Valve and Hydraulic Actuator Assembly

|
1. EGR Valve and Pneumatic Actuator Assembly |
2. Air line Tube |
Figure 15. EGR Valve and Pneumatic Actuator Assembly
Measure pneumatic actuator rod end travel as follows.
|
EYE INJURY |
|
To avoid injury from flying debris when using compressed air, wear adequate eye protection (face shield or safety goggles) and do not exceed 276 kPa (40 psi) air pressure. |

|
1. EGR Valve Assembly and Pneumatic Actuator Assembly |
4. Jam Nut |
|
2. Rod End |
5. Pneumatic Actuator Assembly |
|
3. Adjuster |
Figure 16. Pneumatic Actuator Assembly
Note: Tightening the jam nut will stretch the rod end and change the calibration setting. After adjustment the rod end should be checked with the jam nut tightened. The torque specification for the jam nut is 25-28 N·m (18.4-20.7 lb·ft). Repeat step 5 if necessary.
| Series 60 Service Manual - 6SE483 |
| Generated on 10-13-2008 |